Моделирование рабочих процессов погрузочно-транспортных модулей с учетом случайного характера внешних воздействий
Таким образом, F(d) представляет собой сложную многофакторную зависимость, в которой переплетается влияние многих случайных факторов. На основе обобщения производственного опыта выделены 5 групп функций распределения (рис. 5.4), различающихся средним размером куска – от 0,25dmax до 0,75dmax и видом функции распределения – экспоненциальные, равномерной плотности и логарифмические. Эти кривые обр
азуют поле, внутри которого может быть построено множество функций F(d).
Для ориентировочного выбора функции распределения F(d) с учётом уровня изученности вопроса предлагается качественная модель (рис. 5.4), учитывающая влияние основных факторов: крепости породы f, площади поперечного сечения выработки Sпр, м2; удельного количества взрывчатого вещества – lуд, кг/ м3, и наличие дополнительной площади обнажения при взрывании nоб, подвигание за цикл lц. Задача решается методом качественных оценок путём расчёта обобщённого коэффициента kF [102]:
; (5.1)
при kF = 1 – необходимо ориентироваться на рядовой штабель – F4(x),
где x = di/ dmax. С увеличением kF – возрастает математическое ожидание mx и долевое содержание крупных фракций. Для kF = 1,5-2 – принимается кривая F1(x), kF = 2-2,5 – F2(x); kF = 2,5-3 и более – F3(x). Если kF < 1 – принимается кривая распределения F5(x), для которой характерны минимальный средний размер куска и высокое содержание мелких фракций.
В качестве базовых значений влияющих факторов приняты: крепость породы средневзвешенная по забою, fб = 10; сечение выработки в проходке Sпр = 16,1 м2; удельное количество BB – lудб =
; подвигание за цикл
= 2 м; количество обнажённых плотностей nоб = 1.
Значения коэффициентов качественной оценки Kf, KSпp, Klцб, Klц, Kп определяются как отношение фактического значения показателей к базовым.
Отбор конкурирующих вариантов ППТМ. Производится в соответствии с рекомендациями, приведёнными в главе 4 – для ППТМ с использованием известных и широко распространённых погрузочных машин типа 1ППН-5, МПК-3 и МПК-1000Т. Выбор производится из 7 вариантов, представленных в базе типовых технологических схем ППТМ (блок 4). Типовая технологическая схема допускает модификацию при изменении конструктивных параметров погрузочного и(или) призабойного транспортного оборудования.
Рис. 5.4. Фрагмент алгоритма выбора гранулометрического состава штабеля
При отборе вариантов ППТМ необходимо учитывать следующие основные факторы: условия и возможности вписывания оборудования во внутренние контуры выработки (в свету); предельные границы применимости оборудования по горно-технологическим условиям; крепость горной массы, fmax; максимальный размер куска погружаемого материала, dmax; угол наклона почвы выработки, bmax; ширину фронта погрузки, Bпогр.max.
Можно использовать рекомендательную таблицу 5.1 для отбора конкурирующих вариантов ППТМ.
Таблица 5.1
Рекомендательные условия для выбора конкурирующих вариантов ППТМ
|
Варианты ППТМ |
Предельные границы применимости | |||
|
fmax |
dmax, м |
|
Впогр.max, м | |
|
ППТМ с погрузочными машинами ковшового типа | ||||
|
Р=1: 1ППН-5 + одиночные вагонетки + локомотивный транспорт (однопутевые выработки) |
Не ограничен |
≤ 0,60 |
≤ 3 |
4,3 |
|
Р=2: 1ППН-5 + одиночные вагонетки + локомотивный транспорт (двухпутевая выработка) |
Не ограничен |
≤ 0,60 |
≤ 3 |
5,5 |
|
Р=3: 1ППН-5 + специализированный перегружатель + ленточный магистральный конвейер |
≤ 0,7 |
≤ 0,60 |
≤ 5 |
Не ограничен |
|
Р=4: МПК-3 + мини-состав + локомотивный транспорт |
Не ограничен |
≤ 0,70 |
≤ 5 |
Не ограничен |
|
Р=5*: МПК-3 + специализированный перегружатель + минисостав |
≤ 14 |
≤ 0,70 |
≤ 5 |
Не ограничен |
|
Р=6*: МПК-1000 т + специализированный перегружатель + ленточный специализированный конвейер |
≤ 14 |
≤ 0,70 |
≤ 5 |
Не ограничен |
|
Р=7*: МПК-1000Т + взрывонавалочный перегружатель + ленточный специализированный конвейер |
≤ 14 |
≤ 0,70 |
≤ 5 |
Не ограничен |
|
* Возможны варианты с использованием взрывонавалочных перегружателей | ||||
При оценке возможностей вписывания ППТМ во внутренние контуры выработки (в свету) необходимо проверить условия размещения оборудования в критических режимах:
1) движение погрузочной машины относительно ПЗТ;
2) разгрузка ковша в вагонетку (перегружатель).
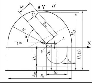
Например, для условий, представленных на рисунке 5.5, должны соблюдаться соотношения:
Bв > bвг + Bк + 3D1; HY (x) > HQ, Hpmax > hp + Hв ,
где HQ = hp + Hв + D + Bкsin
+ Lкcos
; HY (x) – высота контура точки Q¢;
. Величина HY(x) находится из уравнения контура кровли.
Рис. 5.5. Схема к расчёту возможности вписывания ППТМ в контуры выработки:
HQ – высота максимальная кромки ковша (точки Q) при разгрузке ковша в вагонетку;
Hp – высота разгрузки нижней кромки ковша над вагонеткой;
Hв – высота вагонетки над уровнем головки рельсов; bвг – ширина вагонетки;
hp – высота головки рельсов над уровнем почвы выработки; D, D1 – зазоры согласно ПБ;
a – угол наклона ковша при ссыпании (разгрузке); Bк, Lк – ширина, длина ковша
Другие рефераты на тему «Транспорт»:
- Система управления положением кресла водителя
- Стратегии грузоперевозок в России
- Определения коэффициента сцепления и ровности дорожного покрытия
- Характеристика грузовой и перевозочной работы железной дороги
- Технологический расчет комплексного автотранспортного предприятия на 180 автомобилей ПАЗ - 3206
Поиск рефератов
Последние рефераты раздела
- Проект пассажирского вагонного депо с разработкой контрольного пункта автосцепки
- Проектирование автомобильных дорог
- Проектирование автотранспортного предприятия МАЗ
- Производственно-техническая база предприятий автомобильного транспорта
- Расчет подъемного механизма самосвала
- Системы автоблокировки
- Совершенствование организации движения и снижение аварийности общественного транспорта в городе Витебск
