Аналоговые перемножители напряжения
Рис. 2.13. Схема ПНТ с делителем тока на входе дифференциального каскада
Рис. 2.14. Вариант построения линейного ПНТ с делителями тока
Рис. 2.15. Схемотехническая реализация линейного ПНТ с повышенной крутизной
Для определения ус
ловий компенсации нелинейности в схеме на рисунке 2.15 необходимо решить систему трансцендентных уравнений, что можно сделать только численно. Однако принцип ее функционирования также похож на предыдущие. Ответвитель тока на транзисторах VT3, VT4, резисторе R3 и VT5, VT6, резисторе R4 имеет нелинейную характеристику, причем такую, что дифференциальный коэффициент передачи тока транзистора VT1 (VT2) имеет отрицательный знак, поэтому приращения токов транзистора VT1 и VT4 с помощью транзисторов VT7, VT8 складываются (а не вычитаются, как в предыдущих случаях). За счет этого крутизна прямой передачи ПНТ возрастает. С помощью транзисторов VT8, VT9 и резистора RК формируется компенсирующий ток, пропорциональный jТ, так что выполняется условие частичной нейтрализации влияния режимно зависимых сопротивлений эмиттеров транзисторов дифференциального каскада. Ориентировочное значение компенсирующего резистора можно определить как RK » R0, а более точно это сопротивление можно выбрать в результате схемотехнического моделирования, используя рекомендации, данные ранее.
Вариант реализации схемы ПНТ с повышенной крутизной приведен на рисунке 2.16. В этом случае компенсирующий ток из коллекторной цепи отбирается с помощью измерения базового тока n-p-n транзисторов с последующим его усилением с помощью p-n-p транзисторов.
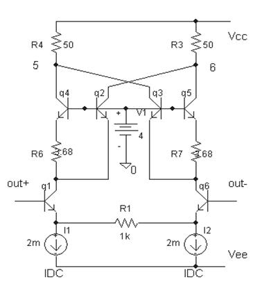
Формировать компенсирующий ток можно и в эмиттерных цепях базового дифференциального каскада, как это показано на рисунке 2.17.
В этом случае часть компенсирующего тока попадает в эмиттер дифференциального каскада, а часть тока, обусловленная коэффициентом передачи делителя тока на транзисторах VT7, VT8 (VT9, VT10) (рис. 2.17), перекрестно отправляется в коллекторы транзисторов дифференциальной пары. Фактически принцип компенсации в этой схеме можно объяснить следующим образом. Приращение тока эмиттера транзистора VT1 (VT2) обусловлено не только приращением сигнального тока через резистор R0, но и равным приращением компенсирующего тока с противоположным знаком. В результате rЭ транзисторов VT1 и VT2 остаются практически постоянными, так как ток эмиттера транзисторов дифференциальной пары практически не меняется при изменении входного напряжения.
Рис. 2.16. Вариант схемотехнической реализации линейного ПНТ с повышенной крутизной
Таким образом, сущность повышения линейности ПНТ при использовании цепей компенсации можно сформулировать следующим образом.
Тем или иным способом формируется разность напряжений база-эмиттер, зависящая от сигнального тока преобразователя, формируется компенсирующий ток, отправляемый в нужной фазе на выход преобразователя.
Практически все рассмотренные схемы ПНТ, линейность которых повышена за счет введения компенсирующих токов по такому параметру, как погрешность преобразования, напряжения в ток близки друг к другу. Достоинства или недостатки того или иного схемотехнического решения определяются лишь абсолютным значением крутизны в сравнении с базовой схемой, наличием либо отсутствием p-n-p транзисторов и частотными свойствами. Поэтому проектировщик вправе выбирать схемотехническое решение в зависимости от ограничений, принятых при разработке.
Еще одна возможность компенсации иллюстрируется схемой ПНТ (рис. 2.18). Эта схема уже рассматривалась ранее, и для нее приводилось выражение, учитывающее погрешность преобразования от коэффициента усиления тока базы и конечного выходного сопротивления транзистора со стороны эмиттера (выражение (2.13)).
Рис. 2.17. Схема ПНТ с компенсацией нелинейности в источниках тока дифференциального каскада
Если схему ПНТ с ООС дополнить усилителями тока УТ1 и УТ2 с коэффициентом усиления KI, то с их помощью измеряется базовый ток и отправляется в коллектор соответствующего транзистора. Таким образом, коэффициент, эквивалентный коэффициенту передачи тока эмиттера транзисторов VT6 (VT8), можно сделать равным единице или больше единицы за счет выбора значения KI. В этом случае выражение (2.13) можно представить следующим образом:
(2.21)
Рис. 2.18. Схема ПНТ с ООС и компенсацией нелинейной зависимости коэффициента усиления тока базы
Следовательно, если KI >1, в знаменателе выражения (2.21) появляется член с отрицательным знаком, который может компенсировать достаточно малое, но конечное значение составляющей, зависящей от выходного сопротивления транзистора со стороны эмиттера.
Рис. 2.19. Схема ПНТ с ООС и компенсацией нелинейности
Рис. 2.20. Зависимость отклонения от линейности крутизны преобразования схемы ПНТ (рис. 2.18)
Физическая реализация такого усилителя тока затруднена, однако эта же идея используется в схеме ПНТ, приведенной на рисунке 2.19. Поскольку приращение тока через резистор RX обусловлено приращением тока через транзистор VT7 или VT9, то пропорциональное приращение тока возникает и в транзисторах VT15, VT16. Приращение токов коллекторов этих транзисторов практически совпадает с приращением токов баз транзисторов VT1 и VT14 с точностью до знака, таким образом реализуется принцип компенсации, показанный выражением (2.21), поскольку S = dIX/dUX.
Результаты моделирования схемы ПНТ (рис. 2.18) приведены на рисунке 2.20 и практически совпадают с результатами моделирования схемы (рис. 2.19). Погрешность преобразования ПНТ в этом случае не превышает 0,0015 % в диапазоне входных напряжений ±1 В, однако следует заметить, что частотные свойства этой схемы существенно зависят от качества боковых p-n-p транзисторов и на амплитудно-частотной характеристике появляется подъем вблизи частоты среза, обусловленный вторым порядком передаточной функции цепи.
2.1.3 Мостовые преобразователи «напряжение-ток»
Как уже отмечалось, основная погрешность линейности преобразования рассматриваемых ПНТ обусловлена существенной режимной зависимостью rЭ от тока эмиттера.
На рисунке 2.21 приведена схема мостового преобразователя «напряжение-ток», в котором влияние выходного сопротивления преобразователя на точность преобразования существенно снижено. В основе такой мостовой схемы лежит «бриллиантовый транзистор» [11]. Действительно, для тока, протекающего через резистор R1, можно записать:
, (2.22)
Другие рефераты на тему «Коммуникации, связь и радиоэлектроника»:
- Разработка технологического процесса сборки автомобильного усилителя мощности
- Удаление загрязнений с оптических и механических деталей. Сборка зеркал и призм в оправах
- Идентификация объекта управления
- Устройство формирования управляющих сигналов
- Защита информации в сетях связи с гарантированным качеством обслуживания
Поиск рефератов
Последние рефераты раздела
- Микроконтроллер системы управления
- Разработка алгоритмического и программного обеспечения стандарта IEEE 1500 для тестирования гибкой автоматизированной системы в пакете кристаллов
- Разработка базы данных для информатизации деятельности предприятия малого бизнеса Delphi 7.0
- Разработка детектора высокочастотного излучения
- Разработка микропроцессорного устройства для проверки и диагностики двигателя внутреннего сгорания автомобиля
- Разработка микшерного пульта
- Математические основы теории систем
