Автоматизация комплекса центрального кондиционирования воздуха дорожного центра управления перевозками
наличия воды в контурах, для защиты насосов от "сухого хода";
перепад давления воздуха на фильтрах, для контроля степени загрязненности воздушных фильтров;
перепад давления на вентиляторах, для контроля работы вентиляторов;
наличие электрического напряжения в схеме управления, для защиты от заморозки системы при пропадания электричества.
5.2 Выбор управляющего устро
йства
Для управления работой установки выбран контроллер Vision V120-22-RA22 с модулями расширения IO-PT4К - 2 шт., IO-AO6X - 1 шт., IO-AI4-AO2 - 1 шт. фирмы Unitronics, т.к контроллеры этого производителя, относящиеся к средней ценовой категории, хорошо себя зарекомендовали на практике. Они широко применяются для управления промышленными процессами.
Контроллер с модулями питается напряжением 24В постоянного тока, имеет следующую конфигурацию входов выходов:
V120-22-RA22 - 12 дискретных входов (pnp), 8 релейных выходов, 2 аналоговых входа для унифицированных сигналов напряжения и тока (0-10В, 0-20мА, 4-20мА), 2 входа для преобразователей сопротивления PT100, 2 унифицированных аналоговых выхода (0-10В, 4-20мА), также оснащен интерфейсами RS232/485;
IO-PT4К (2 шт) - 8 аналоговых входов для преобразователей сопротивления PT1000;
IO-AO6X - 6 изолированных аналоговых выходов унифицированных сигналов (0-10В, 0-20мА, 4-20мА);
IO-AI4-AO2 - 4 аналоговых входа для унифицированных сигналов (0-10В, 0-20мА, 4-20мА), 2 аналоговых выхода унифицированных сигналов (0-10В, 0-20мА, 4-20мА)
Рис.5.2 Модуль расширения, позволяющий подключать к контроллеру дополнительные модули входов/выходов: 1 - индикатор статуса; 2 - порт для подключения контроллера; 3 - клеммы питания; 4 - разъем для подключения модуля входов/выходов.
Рис.5.3 Модуль входов/выходов IO-PT4К: 1,4 - разъемы для подключения модулей расширения; 2 - индикатор статуса; 3 - клеммы для подключения преобразователей сопротивления.
Рис.5.4 Модуль входов/выходов IO-AO6X: 1,6 - разъемы для подключения модулей расширения; 2 - индикатор статуса сети; 3 - индикатор питания выходов; 4,7 клеммы аналоговых выходов; 5 - клеммы для подключения питания.
Рис.5.5 Модуль расширения IO-AI4-AO2: 1,6 - разъемы для подключения модулей расширения; 2 - индикатор сети; 3 - клеммы для подключения питания; 4 - клеммы аналоговых выходов; 5 - индикаторы статуса входов/выходов; 7 - клеммы аналоговых входов.
Модули расширения подключаются последовательно
Монтаж контроллера возможен, как на лицевую панель шкафа автоматики (рис.5.7, 5.8) так и на DIN-рейку (рис.5.9, 5.10).
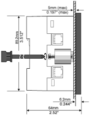
Рис.5.7 Монтаж контроллера на лицевую панель шкафа, вид сбоку.
Рис.5.9 Монтаж контроллера на DIN-рейку, вид сбоку.
Рис.5.10 Монтаж контроллера на DIN-рейку, спереди.
Контроллер программируется на ПК в программной среде VisionLogic. В VisionLogic имеются 3 редактора:
Редактор Ladder (редактор многозвенных схем)
Редактор дисплеев (редактор HMI)
Редактор переменных (редактор HMI)
Каждый из выше перечисленных редакторов имеет свое окно для программирования.
5.3 Выбор датчиков
Для измерения температуры воздуха в канале - датчик TG-KH1/PT1000.
Для измерения температуры воды/гликоля на выходе из теплообменников - датчик накладной TG-A1/PT1000.
Для измерения температуры воды в поддоне - погружной датчик TG-DH1/PT1000.
Для измерения температуры наружного воздуха - датчик TG-R3/PT1000.
Для измерения перепада давления воздуха на фильтрах и вентиляторе датчик перепада давления воздуха DPS 500.
5.4.Выбор исполнительных механизмов
Для управления регулирующими клапанами электрический привод SQX 62. Привод питается напряжением переменного тока 24В. Управляющий сигнал - 0-10В постоянного тока. Привод имеет встроенный потенциометрический датчик положения штока, с выходным сигналом - 0-10В постоянного тока.
Для управления воздушной заслонкой электрический привод с конечными датчиками положения заслонки GCA 326.1E.
Выбор шкафа.
Для размещения шкафного оборудования автоматики и пускорегулирующей аппаратуры применен шкаф Atlantik RAL 7035 с габаритными размерами 1000х600х250 (высота, ширина, глубина). Шкаф оснащен двумя вертикальными монтажными стойками Lina 25 и рейками Lina 25 для монтажа оборудования.
Расчет надежности системы.
Одной из важнейших характеристик системы автоматического управления является надёжность её работы.
Под надёжностью системы понимается её способность работать без отказов, в заданных режимах и условиях, в течение, требуемого времени при сохранении основных характеристик (точность, устойчивость, и др.).
При инженерных расчётах надёжности систем пользуются следующими количественными показателями надёжности:
Вероятность безотказной работы изделия или системы - P (t). Это вероятность того, что система при определённых режимах и условиях эксплуатации, в течение, заданной продолжительности работы ни разу не выйдет из строя (не наступит ни одного отказа);
Вероятность отказа системы 0 (Ц-вероятность того, что в системе при определённых режимах и условиях эксплуатации, в течение, заданного интервала времени t наступит хотя бы один отказ;
Интенсивность отказов элементов или системы в целом (изделия) - (t)
Среднее время безотказной работы системы Тс - это математическое ожидание времени безотказной работы изделия до первого отказа.
Наработка на отказ, То - среднее значение наработки на отказ системы, между двумя отказами, при этом считается, что элементы системы и система, в целом, восстанавливаемы.
При расчёте показателей надёжности пользуются, как правило, понятием структурной надёжности.
Под структурной надёжностью системы понимается - результирующая надёжность, образующих систему элементов.
Величина этой надёжности, оцениваемая выше приведёнными числовыми показателями надёжности (или одним из них), зависит от способа соединения элементов, в системе автоматического регулирования: последовательное, параллельное, смешанное. При экспоненциальном законе распределения отказов, вероятность безотказной работы системы может быть принята равной:
Dc (t) =
,
где λ, - суммарная интенсивность отказов элементов системы, t - время, за которое оценивается вероятность безотказной работы.
Таким образом, вероятность безотказной работы системы за время t, определяется произведением вероятности безотказной работы ее элементов при их последовательном соединении, то есть:
Pc (t) = P\ (t) P2 (t) . Pi (t) = " Pi{t) (5.2)
Другие рефераты на тему «Коммуникации, связь и радиоэлектроника»:
- Биотелеметрические сигналы и их калибровка
- Программно-аппаратный комплекс для проведения специальных комплексных проверок электронных устройств
- Однофазный трёхуровневый преобразователь с улучшенным гармоническим спектром входного тока
- Акустические и капиллярные методы контроля РЭСИ. Электролиз (пузырьковый метод)
- Новые информационные системы и технологии
Поиск рефератов
Последние рефераты раздела
- Микроконтроллер системы управления
- Разработка алгоритмического и программного обеспечения стандарта IEEE 1500 для тестирования гибкой автоматизированной системы в пакете кристаллов
- Разработка базы данных для информатизации деятельности предприятия малого бизнеса Delphi 7.0
- Разработка детектора высокочастотного излучения
- Разработка микропроцессорного устройства для проверки и диагностики двигателя внутреннего сгорания автомобиля
- Разработка микшерного пульта
- Математические основы теории систем
