Разработка информационного канала управления автоматизированным электроприводом
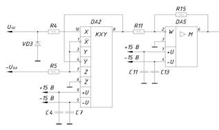
Схема обратной связи по току якоря представлена на рис. 21, здесь:
-фильтр пульсаций
с
:
-
,
-
;
-датчик тока:
-
с параметрами :
- номинальный входной ток,
- напряжение питания,
- сопротивление нагрузки,
- коэффициент датчика тока;
-коэффициент усиления схемы:
,
-
,
-
,
-усилительный элемент:
-
;
-фильтр пульсаций напряжения питания усилителя:
-
.
Обратная связь по току возбуждения.
Рис. 22. Обратная связь по току возбуждения.
Схема обратной связи по току возбуждения представлена на рис. 22, здесь:
-фильтр пульсаций
с
:
-
,
-
;
-датчик тока:
-
с параметрами :
- номинальный входной ток,
- напряжение питания,
- сопротивление нагрузки,
- коэффициент датчика тока;
-коэффициент усиления схемы:
-
,
-
,
-усилительный элемент:
-
;
-фильтр пульсаций напряжения питания усилителя:
-
.
Обратная связь по ЭДС.
Рис. 23. Обратная связь по ЭДС.
Схема обратной связи по ЭДС представлена на рис. 23, здесь:
-фильтр пульсаций
с
:
-
,
-
;
-датчик напряжения:
-
с параметрами :
- номинальный входной ток,
- напряжение питания,
- сопротивление нагрузки,
- коэффициент датчика напряжения;
-коэффициент усиления схемы:
,
-
,
-
,
-
,
-усилительный элемент:
-
;
-фильтр пульсаций напряжения питания усилителя:
-
.
Обратная связь по потоку.

Рис. 24. Обратная связь по потоку.
Схема обратной связи по потоку представлена на рис. 24, здесь:
-коэффициент усиления схемы:
,
-
,
-
,
-
,
-
;
-защита от отрицательного напряжения:
-
;
Другие рефераты на тему «Коммуникации, связь и радиоэлектроника»:
- Аппарат для ультразвуковой терапии - обобщенная структура, применение ультразвука в хирургии
- Разработка системы управления освещением при помощи любого пульта дистанционного управления от бытовой аппаратуры
- Физические основы работы светоизлучающих диодов
- Мультипликативность стационарного распределения в открытых сетях с многорежимными стратегиями обслуживания
- Схема процесса автоматизированного проектирования РЭС. Структура и классификация проектных задач
Поиск рефератов
Последние рефераты раздела
- Микроконтроллер системы управления
- Разработка алгоритмического и программного обеспечения стандарта IEEE 1500 для тестирования гибкой автоматизированной системы в пакете кристаллов
- Разработка базы данных для информатизации деятельности предприятия малого бизнеса Delphi 7.0
- Разработка детектора высокочастотного излучения
- Разработка микропроцессорного устройства для проверки и диагностики двигателя внутреннего сгорания автомобиля
- Разработка микшерного пульта
- Математические основы теории систем
