Проектирование системы электроснабжения машиностроительного завода
С учетом найденного ранее коэффициента пересчета
, современная стоимость высоковольтного разъединителя РНД(З)-220/1000ХЛ1 по формуле (39), равна:
Таким образом, капиталовложения в оборудование подстанции 220 кВ КОБ35 по формуле (26), равны:
61 height=51 src="images/referats/13419/image110.png">
Далее переходят к нахождению стоимости потерь энергии. Стоимость потерь энергии для линии и для оборудования (трансформатора) рассчитывается отдельно.
Стоимость потерь энергии для линий определяется по выражению, руб/год,
здесь I — максимальный ток в линии, А. Потери энергии будем для простоты определять без учета ежегодного роста нагрузки. Для линии 220 кВ
, а для линии 110 кВ -
R —активное сопротивление линий, Ом. Для линии 220 кВ
, для линии 110 кВ
.
t — время максимальных потерь, ч/год [определяется по заданному числу часов использования максимума Тмакс ]. Для машиностроительного завода, как уже отмечалось ранее,
[10]. Используя указанную зависимость
для любых значений
находят, что
.
сЭ — стоимость 1 кВт×ч потерь энергии по замыкающим затратам, руб/(кВт×ч). Величина сЭ в общем случае зависит от t.
Согласно основным методическим положениям технико-экономических расчетов в энергетике стоимость потерь энергии по замыкающим затратам принята равной средней в энергосистеме себестоимости электроэнергии, отпущенной с шин новых конденсационных электростанций.
На современном этапе принимают
.
Итак, стоимость потерь энергии для линии 110 кВ:
.
Стоимость потерь энергии для линии 220 кВ:
.
Стоимость потерь энергии группы одинаковых параллельно включенных трансформаторов определяется по выражению, руб/год,
здесь n — число трансформаторов в группе. В данном случае для обоих вариантов напряжения n = 2.
DPX и DPK — номинальные (табличные) потери холостого хода и короткого замыкания, кВт. Для ТРДНС-40000/110: DPХ = 34 кВт; DPК = 170 кВт; для ТРДН-40000/220: DPХ = 50 кВт; DPК = 170 кВт.
cЭх и cЭк — стоимость 1 кВт×ч потерь энергии холостого хода и короткого замыкания соответственно. Принимают cЭх = cЭк = 50 коп./кВт×ч.
Т — время работы трансформаторов, ч/год (при его работе круглый год Т = 8760 ч). В рассматриваемом случае,
.
Sn — фактическая мощность, протекающая по всем трансформаторам группы, МВ×А.
Итак, стоимость потерь энергии двух параллельно включенных трансформаторов ТРДНС-40000/110 равна:
Стоимость потерь энергии двух параллельно включенных трансформаторов ТРДН-40000/220 равна:
Таким образом, все необходимое для расчета приведенных затрат обоих вариантов строительства найдено.
Суммирование производится по элементам системы (линиям, трансформаторам и т. д.). Вариант считается оптимальным, если приведенные затраты минимальны. Если какая-либо составляющая этих затрат входит во все сравниваемые варианты (величина постоянная), она может не учитываться, так как на выбор варианта не влияет.
Далее определяют приведенные затраты по элементам, но без учета ущерба:
· приведенные затраты для варианта строительства ВЛЭП на 110 кВ:
· приведенные затраты для варианта строительства ВЛЭП на 220 кВ:
· приведенные затраты для варианта строительства подстанции на 110 кВ:
· приведенные затраты для варианта строительства подстанции на 220 кВ:
В результате, суммарные приведенные затраты для варианта строительства ВЛЭП и подстанции на 110 кВ, равны:
(44)
В результате, суммарные приведенные затраты для варианта строительства ВЛЭП и подстанции на 220 кВ, равны:
(45)
Таким образом, суммарные приведенные затраты для варианта строительства ВЛЭП и подстанции на напряжение 110 кВ и 220 кВ
. То есть, для рассмотренного случая, им будет являться напряжение 110 кВ.
5.2 Выбор схем распределительных устройств высшего напряженияс учетом надежности
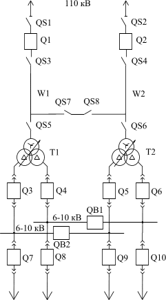
Схемы электрических соединений на стороне высшего напряжения подстанций желательно выполнять наиболее простыми. Учитывая расстояние до системы, уровень надежности потребителей, вид схемы питания и влияние окружающей среды, выбирают следующие две схемы РУ ВН.

а) б)
Рис. 7. Однолинейные схемы электрических соединений главных понизительных подстанций с двумя трансформаторами: а) - без выключателей на стороне высшего напряжения; б) - с выключателями.
Выбор схемы РУ ВН неоднозначен, поскольку с одной стороны установка выключателей на стороне высшего напряжения в связи с дороговизной кажется экономически необоснованной, но с другой стороны применение их в электроснабжении промышленных предприятий приводит к снижению экономических потерь во много раз при авариях и перерывах электроснабжения. Так как в схеме с выключателем время восстановления напряжения значительно ниже, то происходят меньшие нарушения технологического процесса, а так же предотвращается развитие аварий технологических установок. Особенно это важно в нефтеперерабатывающей и химической промышленности, т. к. перерывы в электроснабжении могут привести к значительному экономическому ущербу в технологии.
Достоверность вышесказанного можно подтвердить рассчитав надежность рассматриваемых схем.
Другие рефераты на тему «Физика и энергетика»:
- Геометрическая оптика и квантовые свойства света
- Исследование капиллярного подъёма магнитной жидкости при воздействии неоднородного магнитного поля
- Проектирование системы электроснабжения машиностроительного завода
- Отопление и вентиляция животноводческих зданий
- Расчет сверхзвукового обтекания заостренных тел вращения
Поиск рефератов
Последние рефераты раздела
- Автоматизированные поверочные установки для расходомеров и счетчиков жидкостей
- Энергосберегающая технология применения уранина в котельных
- Проливная установка заводской метрологической лаборатории
- Источники радиации
- Исследование особенностей граничного трения ротационным вискозиметром
- Исследование вольт-фарадных характеристик многослойных структур на кремниевой подложке
- Емкость резкого p-n перехода
