Проект водоснабжения с. Бурибай Хайбуллинского района
Основные функции станций управления
• поддержание заданного значения технологического параметра. Например, давления на выходе группы насосных агрегатов;
• режим работы электродвигателей рабочий резервный или рабочий дополнительный;
• автоматическая смена работающих электродвигателей через заданные интервалы времени для обеспечения равномерной загрузки (для станций управления типа СТ
ЭП1;
• контроль над работой агрегатов и переключение на резервный при аварии рабочего (для станций управления типа СТЭП1;
• обеспечение оперативного управления режимами работы станции непосредственно с панели управления;
• возможность запуска и останова каждого агрегата в режиме ручного управления прямым пуском от сети;
• выдача на диспетчерский пульт сигналов о режимах работы станции ;
• защита электродвигателей от перегрузки и действия токов короткого замыкания.
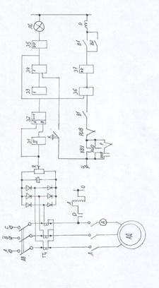
Характерным направлением в развитии автоматизированного электропривода является создание комплектных устройств, управления, которые особенно целесообразны для таких механизмов, как насосы, вентиляторы и компрессоры, вследствие относительной простоты. В качестве примера на рисунке приведен один из упрощенных вариантов схемы управления электроприводом погружной насосной установки, которая используется для подачи воды из скважин в баки; водонапорных башен или в другие резервуары. Все электрооборудование схемы управления поставляется промышленностью в комплектном виде. Большая его часть выполняется на логических элементах и предназначается для установок, работающих в сырых помещениях при наличии брызг и агрессивной среды.
В приведённом примере асинхронный короткозамкнутый двигатель АД, конструктивно выполненный совместно с насосом, устанавливается в скважине и питается по кабельной линии от силовой сети переменного тока через автоматический выключатель АВ и контактор Л. Схемой управления предусмотрены три режима работы двигателя: с местным, автоматическим и дистанционным управлением.
Автоматическое управление насосом осуществляется в зависимости от уровня воды в баке водонапорной башни или резервуаре. В этом режиме работы замкнуты контакты выключателя В1. При отсутствии воды в баке контакты датчиков нижнего и верхнего уровней КНУ и КВУ разомкнуты. Поэтому на входе элемента Э6 напряжение U отсутствует (сигнал 0), а на его выходе имеется сигнал 1. Этот сигнал подается на усилитель мощности Э7, который включает реле Р. Последнее замыкает свой контакт в цепи катушки контактора Л, контактами которого включается двигатель АД насоса, и вода поступает в водонапорную башню. При достижении нижнего уровня замыкается контакт датчика КНУ, однако он не производит никаких переключении в схеме, так, как в это время разомкнут последовательно включенный с ним контакт реле Р. При достижении верхнего уровня замыкается контакт КВУ и на вход элемента Э6 от источника напряжения U поступает сигнал 1, который отключает реле Р и контактор Л. Двигатель останавливает поступление воды в бак прекращается. При снижении уровня воды контакт КВУ снова размыкается, однако на входе элемента 36 по-прежнему остается сигнал 1, который подается от источника напряжения U через замкнутые контакты КНУ и Р. Поэтому двигатель насоса не включается. Двигатель включится лишь тогда, когда уровень воды станет ниже места установки датчика КНУ. При этом контакт КНУ разомкнётся, на вход элемента Э6 поступит сигнал 0, и цикл работы насоса повторится.
Дистанционное управление позволяет диспетчеру, находящемуся на значительном удалении от скважины, включать и отключать насос вне зависимости от его работы в автоматическом режиме управления. Оно осуществляется при подаче команд от устройств телемеханики на исполнительные реле включения РИВ и отключения РИО. Если диспетчеру необходимо отключить работающий насос, то по команде телемеханического устройства включается реле РИО, контакт которого подает сигнал 1 на вход элемента 36. 1 Включение насоса осуществляется при подаче диспетчером команды, включающей реле РИВ. Размыкающий контакт последнего подает на вход элемента 36 сигнал 0.
Для осуществления местного управления насосом необходимо разомкнуть контакты выключателя В1. При этом на входе элемента 36 будет постоянно присутствовать сигнал 0, а на его выходе — сигнал 1. Поэтому на выходе усилителя 37 постоянно имеется напряжение, которое включает либо отключает катушку реле Р в зависимости от положения контактов выключателя местного управления В2.
Схема управления предусматривает отключение двигателя насоса при перегрузке, при работе двигателя на двух фазах, при симметричных и несимметричных токах короткого замыкания. Во всех перечисленных случаях увеличивается ток в фазах статора двигателя, что приводит к увеличению постоянного напряжения на выходе выпрямителя, подключенного к выходным обмоткам трансформатора тока 77"? - ТТ3. Это напряжение подается на релейный элемент. 31, который преобразует непрерывный сигнал в дискретный, необходимый для управления схемой логики. Сигнал с выхода элемента 31 поступает на вход В элемента временной задержки 32. Последний имеет характеристику с обратной зависимостью выдержки времени от тока в цепи статора двигателя. Непрерывный сигнал, пропорциональный току статора подается на вход Л элемента 32. При превышении тока уставки, которая регулируется резистором R, срабатывает релейный элемент, и сигнал 1 с вы держкой времени, обратно пропорциональной току, подается на вход элемента 33. Элементы 33 и 34 образуют элемент «Память», поэтому сигнал о срабатывании защиты запоминается и подается с выхода 34 на входы элементов 35 и 36. Первый из них включает сигнальную лампу ПС, а второй отключает реле Р и соответственно двигатель насоса.
Для стирания «Памяти» перед пуском двигателя необходимо нажать кнопку К, через замкнутые контакты которой подается сигнал 1 на вход элемента Э4.
Рисунок 4 – Схема управления асинхронным двигателем погружного насоса
3.2 Контроль процессов обработки воды
В 1998 году были утверждены Методические указания ("Санитарный надзор за применением ультрафиолетового излучения в технологии подготовки питьевой воды". № 2.1.4.719-98), в которых наряду с дозой облучения определены правила эксплуатации и контроля работы УФ-установок. Величина дозы облучения впервые утверждена в качестве косвенного показателя достижения бактерицидного эффекта и составляет 16 мДж/см. Контроль за надёжностью УФ-установок оценивается:
• наличием датчиков измерения интенсивности УФ-излучения в камере обеззараживания;
• наличием системы автоматики, гарантирующей звуковой и световой сигналы при снижении минимально заданной дозы;
• наличием счётчиков времени наработки ламп и индикаторов их исправности.
Достижение необходимой степени обеззараживания оценивается по микробиологическим показателям.
Для оперативного технологического контроля работы УФ-установок предлагается проводить контроль по дозе облучения и времени пребывания воды в камере обеззараживания.
Другие рефераты на тему «Строительство и архитектура»:
- История создания статуи Свободы
- Горячее водоснабжение жилого здания
- Железобетонные и бетонные конструкции, требования к их безопасности
- Экспертиза качества лицевого глазурованного одинарного керамического кирпича пластического формования с торкретированием лицевой поверхности минеральной крошкой
- Теплотехнический расчет
