Генераторы гармонических колебаний
Рис. 3.1 - Принципиальная схема генератора с последовательно-параллельной RC-цепью на ОУ
Рис. 3.2 - Частотная характеристика RC-цепи
Так как последовательно-параллельная c="images/referats/2568/image010.png">цепь имеет на частоте настройки ω0 коэффициент передачи β0=1/RC, то условие баланса амплитуд Кн∙β0=1 запишется как
откуда R2=2R1 и К=3.
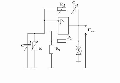
Регулирование частоты в этом генераторе осуществляется одновременным изменением сопротивлений R или емкостей С. Для стабилизации амплитуды генерируемых колебаний в качестве сопротивления R1 применяют терморезистор с положительным температурным коэффициентом. Если при этом амплитуда выходного сигнала возрастет выше установившегося уровня, то возросший сигнал на выходе генератора приведет к увеличению напряжения и тока (то есть мощности) на R1. При нагреве R1 его сопротивление возрастет и коэффициент усиления по неинвертирующему входу уменьшится (то есть уменьшится наклон амплитудной характеристики усилителя по неинвертирующему входу). Это приведет к уменьшению амплитуды автоколебаний на выходе. Если же амплитуда автоколебаний уменьшится, то мощность выделяемая на R1 уменьшится. Его температура также уменьшится, что вызовет уменьшение его температуры. Коэффициент усиления возрастет, увеличится наклон характеристики, точка пересечения характеристик сместится вверх и обеспечит большую амплитуду. В качестве такого терморезистора можно использовать маломощную лампу накаливания.
Существует множество стабилизаторов амплитуды колебаний. Так, например, последовательно с R2 включают двусторонний стабилитрон, который работает как на положительной, так и на отрицательной полуволне (рис. 3.1-а.). При этом, пока амплитуда выходного сигнала недостигла напряжения стабилизации
, эквивалентное сопротивление R2 и
велико. Поэтому велик и коэффициент усиления. Это приводит к росту амплитуды выходного напряжения
. При достижении
напряжения стабилизации происходит пробой стабилитрона, эквивалентное сопротивление цепи ОС уменьшается до выполнения условия баланса амплитуд и выходное напряжение стабилизируется на этом уровне. C помощью стабилитронов можно исскуственно формировать выходную характеристику генератора, создавая с помощью R2 и VС участок насыщения на амплитудной характеристике, соответствующий напряжению
.
Рис. 3.1-а - Принципиальная схема генератора с последовательно-параллельной RC-цепью на ОУ
4. Схема генератора RC - типа с фазосдвигающей цепью
Построить схему генератора можно применяя частотно зависимые цепи, не имеющие в своей частотной характеристике максимумов или минимумов. При этом также можно обеспечить выполнение условий баланса амплитуд и фаз.
Например рассмотрим RС- цепь, состоящую из трех дифференцирующих звеньев, которая может применятся для построения генератора.
Рис. 4.1 - RС-цепь из трех дифференцирующих звеньев
Такая цепь не будет пропускать НЧ сигналы и постоянную составляющую, но хорошо пропускает ВЧ сигналы. На высокой частоте цепь не дает фазового сдвига. При уменьшении частоты каждая RС- цепь дает фазовый сдвиг равный 90 о.
Коэффициент передачи такой цепи зависит от частоты. Фазовый сдвиг между выходным и входным сигналом с ростом частоты уменьшается от 270о до 0о. На некоторой частоте ω0 фазовый сдвиг равен 180о, а b=1/30. Это свойство используется при построении генератора.
Генератор строится на инвертирующем усилителе, в ОС которого включена дифференцирующая цепь.
Рис. 4.2 - Схема генератора с фазосдвигающей цепью
Фазовый сдвиг, вносимый ОС на частоте ω0 равен 180о, а результирующий фазовый сдвиг, вносимый инвертирующим усилителем вместе с ОС равен 360о. Таким образом несмотря на то, что выход RС- цепи подключен к инвертирующему входу ОУ, ОС через RС- цепь - положительная.
Рис. 4.3 - ФЧХ генератора
Условие баланса амплитуд:
|КИ |b(ω0 )=1, КИ = -RОС /R.
|КИ |=1/ b(ω0)=30, RОС =30R.
При этом генератор будет генерировать колебания с частотой ω0, которая зависит от параметров RС- цепи:
При расчете генератора обычно ω0 известно, С задают, рассчитывают R и по нему находят RОС.
Недостатком этой схемы является то, что искажения сигнала в этой схеме больше по сравнению с другими схемами.
Вывод
Использование кварцевых резонаторов позволяет значительно снизить относительное изменение частоты генераторов. Однако, у кварцевых генераторов затруднено оперативное изменение частоты выходного сигнала.
В отличие от аналоговых, цифровые генераторы обладают высокой стабильностью, надежностью, возможностью изменения частоты генерируемого сигнала в широких пределах и универсальностью.
Бурное развитие цифровой электронной техники позволяет во все большем числе случаев формирования аналоговых сигналов использовать цифровые методы. Так как цифровые генераторы аналоговых сигналов обладают рядом достоинств:
- универсальность, поскольку они позволяют генерировать аналоговый сигнал с произвольной, заданной пользователем, формой;
- отсутствие ограничения по минимальной частоте;
- высокая стабильность параметров выходного сигнала и другие.
Цифровые генераторы обладают универсальностью, точностью и удобством настройки. Поэтому они получают всё большее распространение как узлы электронной аппаратуры, тат и как самостоятельные устройства применяемые при измерениях и налаживании систем, работающих со сложными сигналами.
Аналоговые генераторы используются в тех случаях, когда нет высоких требований к параметрам генератора, или важна простота и минимальная стоимость узла.
Список использованной литературы
1. Белецкий А.Ф. Теория линейных электрических цепей. – М.: Радио и связь, 1986.
2. Бакалов В.П. и др. Теория электрических цепей. – М.: Радио и связь, 1998.
3. Качанов Н.С. и др. Линейные радиотехнические устройства. – М.: Воен. издат., 1974.
Другие рефераты на тему «Коммуникации, связь и радиоэлектроника»:
- Оценка потенциальных значений основных технических параметров контрольного ответчика
- Разработка конструкции антенного модуля СВЧ
- Управление смарт-картами с применением персонального компьютера
- Расчет параметров цифровых систем передачи непрерывных сообщений
- Разработка печатного модуля РЭС с использованием учебных алгоритмов САПР
Поиск рефератов
Последние рефераты раздела
- Микроконтроллер системы управления
- Разработка алгоритмического и программного обеспечения стандарта IEEE 1500 для тестирования гибкой автоматизированной системы в пакете кристаллов
- Разработка базы данных для информатизации деятельности предприятия малого бизнеса Delphi 7.0
- Разработка детектора высокочастотного излучения
- Разработка микропроцессорного устройства для проверки и диагностики двигателя внутреннего сгорания автомобиля
- Разработка микшерного пульта
- Математические основы теории систем
