Разработка детектора высокочастотного излучения
Проведем сравнительный анализ устройств. Для этого воспользуемся методом выбора по матрице параметров [4].
Оценку устройств будем проводить по параметрам приведенным в таблице 1.1.
Составляем матрицу параметров:
Параметры в матрице X должны быть приведении к такому виду, чтобы большему значению парамет
ра соответствовало лучшее качество устройства. Параметры, не удовлетворяющие такому условию (нижний предел диапазона частот, потребляемый ток, стоимость, питание) пересчитываются по такой формуле:
, (1.1)
Пересчитав эти параметры, получаем матрицу Y:
После этого параметры матрицы Y нормируют по такой формуле:
, (1.2)
В результате нормирования получим матрицу A:
Для обобщенного анализа системы параметров вводят оценочную функцию:
, (1.3)
Где bj - весовой коэффициент и
. Причем, что все параметры равнозначны поэтому bj для всех параметров будет равным 0,2.
Определим оценочные функции используя формулу 1.3 и представим их в матричном виде):
По полученным значениям оценочной функции можно сказать, что разрабатываемое устройство лучше конкурентов так как ему соответствует минимальное значение оценочной функции.
2. Структурная схема
![]() |
В первом блоке должен приниматься и усиливаться высокочастотный сигнал. Для приема высокочастотного сигнала целесообразно применить антенну, а для его усиления необходимо использовать высокочастотный усилитель.
Во втором должен находится высокочастотный детектор, который срабатывает при поступлении высокого уровня сигнала; компаратор, для сравнения двух сигналов, а также генератор низкочастотных импульсов для формирования звукового сигнала.
Третий блок предназначен для вывода сигнала, получаемого со второго блока на наушник.
3. Функциональная схема
На основании анализа структурной схемы устройства можно составить функциональную схему:
![]() |
3.1 Высокочастотный усилитель (ВУ)
Задачей ВУ является усиление сигнала поступающего на антенну, в диапазоне от 1 до 1000МГц. Поскольку диапазон частот достаточно широк, будем использовать широкополосный усилитель. Существует несколько усилителей данного типа: однокаскадные, двухкаскадные и трехкаскадные. В нашем случае целесообразно использовать однокаскадный широкополосный усилитель. У него простая конструкция и самая маленькая элементная база, что в свою очередь увеличит надежность прибора.
3.2 Высокочастотный детектор
Высокочастотный детектор должен определять сигнал поступающий на него. Если уровень сигнала поступившего на детектор достаточно высок, то он должен пропустить его. Для решения этой задачи можно использовать обычный полупроводниковый диод, либо диод Шотки. Отличительная, особенность диода Шотки по сравнению с полупроводниковыми диодами других типов - низкий уровень ВЧ шумов, поэтому в схеме будем использовать диод Шотки.
3.3 Компаратор
Задачей компаратора является сравнение двух сигналов. В нашем случае для сравнения подадим на него сигнал с антенны и сигнал с генератора прямоугольных импульсов (пункт 3.4). Компараторы делятся на цифровые и аналоговые. В схеме используем аналоговый компаратор (АК), потому что в схеме реализованы только аналоговые сигналы. АК в свою очередь можно реализовать:
на интегральной микросхеме операционного усилителя;
на специализированной микросхеме аналогового компаратора.
Выбираем первый вариант. Используем в схеме компаратор на операционном усилителе, это самый дешевый и простой способ.
3.4 Низкочастотный генератор прямоугольных импульсов
Предназначен для создания звукового сигнала, который реагировал бы на высокочастотное усиление. Существует несколько вариантов схемного выполнения генератора прямоугольных импульсов:
- на дискретных элементах;
- на логических элементах;
- на интегральной микросхеме операционного усилителя (ИМС ОУ);
Для генерации звука используем ИМС ОУ. Поскольку компаратор (пункт 3.3) тоже собран на ОУ то целесообразно для этих целей использовать одну микросхему.
3.5 Низкочастотный усилитель
Используется для усиления низкочастотных импульсов подаваемых на наушник или аудиоколонки. Используем самый простой однокаскадный усилитель. Это увеличит надежность схемы и уменьшит стоимость.
4. Схема электрическая принципиальная
На основании анализа функциональной схемы составляем схему электрическую принципиальную (ДК43.418214.001Е3).
Схема состоит из пяти функционально связанных узлов:
усилителя высоких частот (собранного на транзисторе VT1), рассчитанного на работу с источником сигнала до 50 Ом (рис 4.1).
Рис 4.1 Схема однокаскадного широкополосного усилителя [5]
детектора высоких частот или выпрямителя основаного на диоде Шотки VD1.
компаратора (на операционном усилители N1в составе микросхемы), перестраиваемого по частоте генератора прямоугольных импульсов низкой частоты (на операционном усилителе N3, N4, N5 в составе микросхемы DA1и транзисторе VT3).
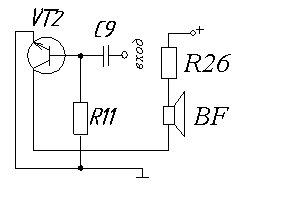
ключевого усилителя низкой частоты на транзисторе VT2 (рис.4.2).
Рис 4.2 Усилитель низкой частоты [5].
Сигнал снимается с антенны (WA), поступает на высокочастотный усилитель реализованный на транзисторе VT1. Если уровень сигнала высокий срабатывает детектор ВЧ излучений (открывается диод VD1) выполненный на диоде Шотки. Диод включает компаратор в микросхеме D1 которая отвечает за формирование НЧ импульсов останавливая при этом генератор НЧ импульсов.
Уровень сигнала, подаваемого на компаратор с детектора, регулируется подстроечным резистором R9, который позволяет принудительно снизить чувствительность устройства. Порог срабатывания компаратора изменяется переменным резистором R10, который устанавливает начальную частоту генерации генератора НЧ. Индикация работы устройства осуществляется светодиодом VD2.
Другие рефераты на тему «Коммуникации, связь и радиоэлектроника»:
- Полупроводниковые резисторы
- Аппаратура для терапии постоянным и НЧ током
- Разработка системы управления освещением при помощи любого пульта дистанционного управления от бытовой аппаратуры
- Определение безотказности РЭУ при наличии резервирования замещением (резерв ненагруженный)
- Разработка стереовидеокамеры
Поиск рефератов
Последние рефераты раздела
- Микроконтроллер системы управления
- Разработка алгоритмического и программного обеспечения стандарта IEEE 1500 для тестирования гибкой автоматизированной системы в пакете кристаллов
- Разработка базы данных для информатизации деятельности предприятия малого бизнеса Delphi 7.0
- Разработка детектора высокочастотного излучения
- Разработка микропроцессорного устройства для проверки и диагностики двигателя внутреннего сгорания автомобиля
- Разработка микшерного пульта
- Математические основы теории систем


