Расчет тепловых схем котельной
 - расход котловой воды на непрерывную продувку, кг/с;
- расход котловой воды на непрерывную продувку, кг/с; 
 - расход котловой воды на продувку в процентах от
- расход котловой воды на продувку в процентах от ;
; 
 - возврат конденсата от потребителя, кг/с;
- возврат конденсата от потребителя, кг/с; 
 - возврат конденсата от потребителя в процентах от
- возврат конденсата от потребителя в процентах от ;
; 
 - расход увлажняющей воды, поступающего в РОУ, кг/с;
- расход увлажняющей воды, поступающего в РОУ, кг/с; 
 - расход воды через сетевой подогреватель (бойлер), кг/с;
- расход воды через сетевой подогреватель (бойлер), кг/с; 
 - потери воды в теплосети, кг/с;
- потери воды в теплосети, кг/с; 
 - потери воды в теплосети в процентах от
- потери воды в теплосети в процентах от  ;
; 
 - расход воды через химводоочистку, кг/с;
- расход воды через химводоочистку, кг/с; 
 -расход деаэрированной воды на выходе из деаэратора, кг/с;
-расход деаэрированной воды на выходе из деаэратора, кг/с; 
 - расход воды из расширителя непрерывной продувки, кг/с;
- расход воды из расширителя непрерывной продувки, кг/с; 
 - расход тепла на подогрев сетевой воды, кДж/с;
- расход тепла на подогрев сетевой воды, кДж/с; 
 - расход тепла на технологические нужды, кДж/с.
- расход тепла на технологические нужды, кДж/с.  
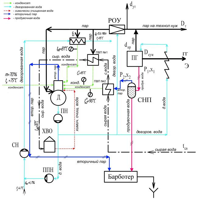
1.2 Условные обозначения принятые в схемах.
 пар
пар 
 деаэрированная вода
деаэрированная вода 
 сырая вода
сырая вода 
 химически очищенная вода
химически очищенная вода 
 конденсат
конденсат 



 продувочная вода
продувочная вода 


 вторичный пар
вторичный пар 
1.3 Исходные данные
| Начальная буква фамилии студента | А,Б,В | Г,Д,Е | Ж,З,И | К,Л,М | Н,О,П | Р,С,Т | У,Ф,Х | Ц,Ч,Ш | Щ,Э | Ю,Я | 
| Номер тепловой схемы | 14 | 15 | 16 | 17 | 18 | 19 | 20 | 21 | 22 | 23 | 
 
 
Рисунок 19
Исходные данные:
| №/№ | Наименование | Ед. изм. | Исходные данные | 
| 1 | Пар для технологических нужд производства: - давление пара на выходе из котлоагрегата,  - сухость пара на выходе из котлоагрегата,  - расход пара на технологические нужды,  | МПа - кг/с | 1,32 0,99 14,82 | 
| 2 | Температура сырой воды,  | ºС | 5 | 
| 3 | Давление пара после РОУ,  | МПа | 0,111 | 
| 4 | Сухость пара на выходе из расширителя непрерывной продувки,  | - | 0,96 | 
| 5 | Потери пара в котельной в процентах от  | % | 1,5 | 
| 6 | Расход тепловой воды на непрерывную продувку в процентах от  | % | 1,2 | 
| 7 | Расход тепла на подогрев сетевой воды,  | кДж/с | 15,6×103 | 
| 8 | Температура воды на выходе из сетевых подогревателей,  | ºC | 95 | 
| 9 | Температура в обратной линии теплосети,  | ºС | 41 | 
| 10 | Возврат конденсата от потребителя m в процентах от D сум | % | 70 | 
| 11 | Потери воды в тепловой сети,  | % | 4,1 | 
| 12 | Температура конденсата после подогревателя,  | ºС | 81 | 
| 13 | Температура конденсата после охладителя,  | ºС | 75 | 
| 14 | Температура конденсата после подогревателя,  | ºС | 85 | 
| 15 | Температура конденсата после подогревателя,  | ºС | 90 | 
| 16 | Температура воды перед и после ХВО,  | ºС | 30 | 
Другие рефераты на тему «Физика и энергетика»:
Поиск рефератов
Последние рефераты раздела
- Автоматизированные поверочные установки для расходомеров и счетчиков жидкостей
- Энергосберегающая технология применения уранина в котельных
- Проливная установка заводской метрологической лаборатории
- Источники радиации
- Исследование особенностей граничного трения ротационным вискозиметром
- Исследование вольт-фарадных характеристик многослойных структур на кремниевой подложке
- Емкость резкого p-n перехода

 ;
; 
 ;
; 
 
  
  
  
  
  
  
  
  
  
  
  
  
  
  
  Скачать реферат
 Скачать реферат