Назначение тормозной системы Урал-4320
Компрессор автомобиля Урал 4320
Технические характеристики компрессора Урал 4320
|
Номинальный диаметр цилиндра, мм |
60 |
|
Ход поршня, мм |
38 |
|
Номинальный рабочий объем, см3 |
214 |
|
Частота вращения вала, мин-1: – Номинальное – Максимальное |
2000 2500 |
|
Производительность, л/мин (при частоте вращения коленчатого вала 2000 об/мин и противодавлении 700 кПа) |
201 |
|
Потребляемая мощность, кВт |
2,45 |
|
Вес, кг |
14,5 |
Тормозной кран предназначен для подачи сжатого воздуха из воздушных баллонов в тормозные камеры автомобиля и для выпуска сжатого воздуха из соединительной магистрали прицепа в атмосферу пропорционально нажатию на педаль.
Тормозной кран (рис 3.) двухсекционный, диафрагменный, с резиновыми коническими клапанами; верхняя секция управляет тормозами прицепа, нижняя – тормозами автомобиля. Кран установлен на левом лонжероне рамы под кабиной, приводится в действие от тормозной педали.
Тормозной кран автомобиля Урал 4320 (рис. 3)
1- шток нижней секции, 2 – корпус рычагов, 3 – малый рычаг, 4 – большой рычаг, 5 – направляющая штока верхней секции, 6 – шток верхней секции, 7 – валик рычага ручного привода, 8 – тяга, 9 – рычаг ручного привода, 10 – корпус крана, 11 – уравновешивающая пружина, 12,22 – диафрагмы, 13,23 – седла выпускных клапанов, 14,20 – выпускные клапаны, 15, 19 – впускные клапаны, 16, 21 – крышка корпуса клапана, 17,24 – направляющие стаканы, 18 – пружина диафрагмы нижней секции, 25 – уравновешивающая пружина диафрагмы нижней секции, 26 – атмосферный клапан.
Автомобиль Урал 4320 имеет стояночную тормозную систему с колодочным барабанным тормозным механизмом и механическим приводом.
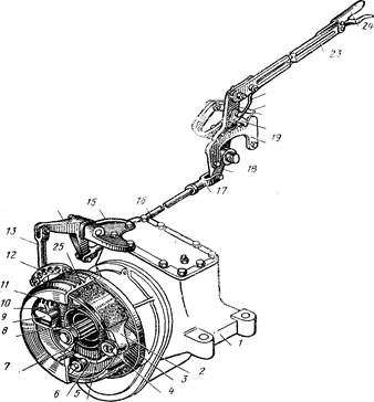
Стояночная тормозная система автомобиля УРАЛ 4320 (рис. 4)
1 – раздаточная коробка, 2 – тормозная колодка, 3 – щиток, 4 – ось колодок, 5, 8 – пружины, 6 – опорный кронштейн, 7 – фланец, 9 – разжимной кулак, 10 – сухарь колодки, 11 – сальник, 12 – регулировочный рычаг, 13 – штанга, 14 – угловой рычаг, 15 – кронштейн, 16 – регулировочная тяга, 17 – вилка, 18 – рычаг тормоза, 19 – зубчатый сектор, 20 – защелка, 21 – тяга к тормозному крану, 22 – тяга защелки, 23 – рукоятка рычага, 24 – рукоятка тяги защелки, 25 – тормозной барабан.
2.1.3 Принцип действия и основные характеристики
Эксплуатационные материалы. Работа тормозного крана совместно с воздухораспределителем прицепа.
При отпущенной тормозной педали под действием уравновешивающей пружины детали верхней секции крана смещены назад, впускной клапан этой секции открыт, выпускной закрыт.
В нижней секции под действием пружины диафрагма смещена вперед, впускной клапан закрыт, выпускной открыт. Сжатый воздух из баллонов автомобиля через открытый впускной клапан верхней секции проходит в соединительную магистраль к прицепу и поступает в верхнюю полость воздухораспределителя, где давит на манжету он опускает ее вместе со штоком вниз. Впускной клапан воздухораспределителя закрыт, выпускной открыт, т.е. тормозные камеры прицепа соединены с атмосферой. Сжатый воздух, огибая края резиновой манжеты, заполняет среднюю полость и проходит в воздушный баллон прицепа. Когда давление воздуха в баллоне прицепа, а следoвательно, в соединительной магистрали и в пространстве справа от диафрагмы верхней секции крана достигает величины 4,8–5,3 кгс/ем2, диафрагма 12 (см. рис.) прогибается, сжимая уравновешивающую пружину, и впускной клапан этой секции закрывается, доступ воздуха в баллон прицепа прекращается.
В нижней секции крапа впускной кран закрыт, а выпускной открыт; тормозные камеры автомобиля соединены с атмосферой. Автомобиль и прицеп расторможены.
При нажатии па педаль усилие водителя передается на штоки секций. Шток верхней секции перемещается вперед, диафрагма этой секции под действием давления сжатого воздуха также перемещается вперед, впускной клапан закрывается (или остается закрытым), а выпускной открывается сжатый воздух из соединительной магистрали и верхней полости воздухораспределителя выходит в атмосферу, манжета 9 (см. рис. 3) воздухораспределителя вместе со штоком поднимается вверх, выпускной клапан 1 закрывается, впускной 10 открывается. Сжатый воздух из баллонов прицепа поступает в его тормозные камеры, что ведет к торможению прицепа.
В нижней секции крана шток с диафрагмой перемещаются назад, выпускной клапан закрывается, впускной открывается. Вжатый воздух из баллонов автомобиля поступает в его тормозные камеры, что ведет к торможению автомобиля.
При отпускании педали в верхней секции закрывается выпускной клапан и открывается впускной. Воздух из баллонов автомобиля поступает в соединительную магистраль к воздухораспределителю прицепа, где опускает манжету со штоком вниз, закрывая впускной клапан и открывая выпускной. Сжатый воздух из тормозных камер прицепа выходит в атмосферу.
В нижней секции крапа впускной клапан закрывается, выпускной открывается, сжатый воздух из тормозных камер автомобиля выходит в атмосферу. Автомобиль и прицеп растормаживаются.
Тормозной кран обладает следящим действием. Если водитель при торможении нажмет педаль не до упора, а остановит ее в промежуточном положении, то в нижней секции крана после некоторого нарастания давления диафрагма прогнется вперед, а впускной клапан закроется. В тормозных камерах автомобиля установится давление, – пропорциональное нажатию на педаль. Аналогично в верхней секции крана воздух частично выйдет в атмосферу, под действием уравновешивающей пружины диафрагма прогнется назад, выпускной клапан закроется, и в соединительной магистрали прицепа, а следовательно, и в его тормозных камерах установится давление, пропорциональное нажатию а педаль. Таким образом, тормозной кран позволяет тормозить с эффективностью, соответствующей нажатию па педаль.
При торможении стояночным тормозом усилие водителя через тяги привода передается на рычаг, который приводит в действие только верхнюю секцию крана, что ведет к торможению прицепа.
Для смазки валов разжимных кулаков и червячных пар регулировочных рычагов применяют Литол-24 или солидол.
2.2 Техническое обслуживание тормозных систем
2.2.1 Перечень выполняемых работ при проведении ЕТО, ТО-1, ТО-2, СТО. Описание регулировочных работ
Другие рефераты на тему «Транспорт»:
Поиск рефератов
Последние рефераты раздела
- Проект пассажирского вагонного депо с разработкой контрольного пункта автосцепки
- Проектирование автомобильных дорог
- Проектирование автотранспортного предприятия МАЗ
- Производственно-техническая база предприятий автомобильного транспорта
- Расчет подъемного механизма самосвала
- Системы автоблокировки
- Совершенствование организации движения и снижение аварийности общественного транспорта в городе Витебск
