Система управления ДПТ путем регулирования тока возбуждения
Синтезируем систему комбинированного управления, добавив в неё дополнительное задание по скорости, которое выглядит следующим образом:
,
принимаем
Установившаяся ошибка должна быть
mg width=534 height=233 src="images/referats/21968/image046.jpg">
Рис. 2 Модель ЭП с учетом дискретности преобразователей.
На рис. 4 блок Subsystem – блок, моделирующий стабилизатор напряжения, Subsystem1 – блок, моделирующий определения угла управления из уравнения
. Где Uу – напряжение управления, приведенное к стандартному ряду -10…10В, Um – максимальное напряжение пилообразного сигнала, приведенный к стандартной шкале -10…10В.
В модели не учитывается дискретность ШИМ преобразователя в цепи возбуждения, так как частота коммутации достаточна для данного допущения.
Моделирование.
1. Пуск привода на номинальную скорость (7.78В) при линейном изменении задания.
Рис. 3 Графики зависимостей
.
Статическая ошибка по скорости составляет 2.2 рад/с, что удовлетворяет требованиям.
Рис. 4 Переходный процесс по току якоря
Рис. 5 Пульсации тока якоря в установившемся режиме
Из рис. 5 видно, что амплитуда пульсаций тока составляют 1.2 А, для двигателя допустимая амплитуда пульсаций 0.2*Iном = 0.2*14.6 = 2.92 А
Отработка приводом синусоидального задания с
Рис. 6 Графики зависимостей
.
Проведем эксперимент отработки приводом задания
Рис. 7 Графики зависимостей
.
Полоса пропускания привода
, при
Рис. 8 Графики зависимостей
.
4. Разработка принципиальной электрической схемы и выбор её элементов
1. Контур тока якоря.
Принимаем
,
Необходимо ограничение выходного сигнала на уровне 10В, следовательно выбираем стабилитрон с напряжением стабилизации 10В.
В качестве датчика тока выбираем ДТХ – 10.
Технические данные ДТХ – 10:
Допустимая перегрузка по измеряемому току (разы) 1.5
Диапазон рабочих температур -20…+80 0С
Основная и приведенная погрешность 1%
Нелинейность выходной характеристики 0.1%
Номинальный ток 10 А
Коэффициент передачи 1:2000
Полоса пропускания 1…50000Гц
Источник питания 15В 10%
Рис. 9 Регулятор тока якоря. Схема принципиальная
Учитывая номинальный входной ток и коэффициент передачи, то номинальный выходной сигнал составляет 10/2000 = 0.005 А. Входной ток
, тогда выходной ток
Рис. 10 Схема формирования сигнала - (UЗТЯ - UОТЯ)
Принимаем
,
Выбираем:
R9, R12 , R13 , R17 , R19 – C2-29В-0.125-10 кОм±0.05%
R6 – C2-29В-0.125-7.3 Ом±0.05%
R21 – C2-29В-0.125-192 Ом±0.05%
С17– К73-17-63В-12.3 мкФ±0.5%
VD2 – КС210Б
DA1.4, DA1.6, DA1.8 – К140УД17А
DA2 – AD1403
2. Контур скорости
Выберем тахогенератор ТГП-60.
Технические данные ТГП-60:
Номинальная частота вращения 1500 об/мин
Крутизна выходного напряжения 60 мВ/(об/мин)
Нелинейность выходного напряжения 0.1 %
Асимметрия выходного напряжения 0.2 %
Коэффициент пульсации 2.5%
Сопротивление нагрузки 6 кОм
Температурный коэффициент
выходного напряжения 0.01%/0С
Момент инерции ротора 10-5 кг/м2
Статический момент трения 10-2 Нм
Максимальная частота вращения привода 1140 об/мин, тогда напряжение на выходе тахогенератора
.
Рис. 11 Схема формирования сигнала КРС(- UЗС + UОС)
Принимаем
,
В связи с коммутационными процессами, имеющими место в коллекторном узле тахогенератора, необходим фильтр.
Принимаем постоянную времени фильтра
с.
Выходной сигнал ограничивается на уровне 10В стабилитроном с напряжением стабилизации 10В.
Выбираем:
R1 – C2-29В-0.125-87.4 кОм±0.05%
R2, R5, R7 – C2-29В-0.125-10 кОм±0.05%
R3, R4 – C2-29В-0.125-145 Ом±0.05%
С1 – К73-17-63В-46 пФ±0.5%
VD1 – КС210Б
DA1.1, DA1.2 – К140УД17А
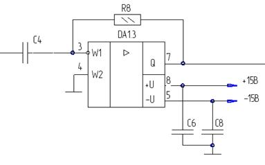
Блок компенсации по первой производной скорости:
Рис. 12 Схема формирования сигнала (КК ∙р)
Принимаем
,
Выбираем:
R8 – C2-29В-0.125-1 МОм±0.05%
С4 – К73-17-63В-1.5 мкФ±0.5%
DA1.3 – К140УД17А
3. Контур тока возбуждения
Рис. 13 Регулятор тока возбуждения. Схема принципиальная
Принимаем
,
Необходимо ограничение выходного сигнала на уровне 10В, следовательно выбираем стабилитрон с напряжением стабилизации 10В.
Другие рефераты на тему «Транспорт»:
- Устройства автоматики и СЦБ на железнодорожном транспорте
- Экономические показатели работы автотранспортного предприятия
- Стратегия развития бизнеса по поставкам нефтеналивных грузов - роль и место интермодальных логистических систем
- Общая характеристика технологических процессов обеспечения работоспособности автомобилей
- Устройство автомобиля UAZ Patriot
Поиск рефератов
Последние рефераты раздела
- Проект пассажирского вагонного депо с разработкой контрольного пункта автосцепки
- Проектирование автомобильных дорог
- Проектирование автотранспортного предприятия МАЗ
- Производственно-техническая база предприятий автомобильного транспорта
- Расчет подъемного механизма самосвала
- Системы автоблокировки
- Совершенствование организации движения и снижение аварийности общественного транспорта в городе Витебск
