Наладка электрооборудования
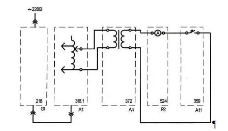
в) соединяем аппаратуру в соответствии с монтажной схемой представленной на рисунке 7
Таблица 4 – Перечень устройств
|
Обозначение |
Наименование |
Тип |
Параметры |
|
G1 |
О днофазный источник питания |
218 |
~ 220В/16А |
|
A1 |
Регулируемый автотрансформатор |
318.1 |
~ 0…240В/2А |
|
A4 |
Однофазный трансформатор |
372 |
120ВА/ 220/24В |
|
A11 |
Автоматический однополюсный выключатель. |
359 |
~ 230В/0,5А |
|
P2 |
Измеритель тока и напряжения |
524 |
0…5А/ 0,01…999с |
Рисунок 7 – Монтажная схема
Указания по проведению эксперимента
а) убеждаемся, что устройства, используемые в эксперименте, отключены от сети электропитания
б) соединяем гнезда защитного заземления устройств, используемых в эксперименте, с гнездом "РЕ" автотрансформатора А1
в) соединяем аппаратуру в соответствии со схемой электрической соединений
г) включаем автоматический выключатель и устройство защитного отключения в однофазном источнике питания G1
д) включаем выключатель «СЕТЬ» измерителя тока и времени Р2
е) поворачиваем регулировочную рукоятку автотрансформатора А1 в крайнее по часовой стрелке положение
ж) включаем выключатель А11
з) включаем выключатель «СЕТЬ» автотрансформатора А1
и) после отключения выключателя А11 считаем показания тока I и времени t, высвечивающиеся на индикаторах измерителя тока и времени Р2, и заносим их в таблицу 5
Таблица 5
|
I, A |
1,33 |
1,25 |
1,21 |
1,16 |
0,87 |
0,75 |
|
t, c |
11,9 |
12 |
12,1 |
18,4 |
26 |
33,4 |
к) отключаем выключатель «СЕТЬ» автотрансформатора А1
л) поворачиваем регулировочную рукоятку автотрансформатора А1 против часовой стрелки примерно на 45 градусов
м) спустя, например, 5 минут повторяем операции начиная с включения выключателя А11 и заканчивая поворотом регулировочной рукоятки автотрансформатора А1
н) операции повторяем до тех пор, пока после включения выключателя «СЕТЬ» автотрансформатора А1 выключатель А11 не перестанет отключаться
о) отключаем автоматический выключатель в однофазном источнике питания G1
п) отключаем выключатель «СЕТЬ» автотрансформатора А1, измерителя тока и времени Р2
р) используя данные таблицы 5, построим искомую времятоковую характеристику t=f(I) автоматического воздушного выключателя
Рисунок 8 – Времятоковая характеристика
3.4 Определение коэффициента возврата электромагнитного контактора
Цель работы: Ознакомиться со схемой включения электромагнитного контактора и определить коэффициент возврата.
Программа работы:
а) убеждаемся, что устройства, используемые в эксперименте, отключены от сети электропитания, перечень устройств представлен в таблице 6
б) соединяем гнёзда защитного заземления устройств, используемых в эксперименте, с гнездом «РЕ» трёхфазного источника питания А1
в) соединяем аппаратуру в соответствии с монтажными схемами 9 (питание обмотки контактора синусоидальным током промышленной частоты) или 10 (питание обмотки контактора выпрямленным током)
Таблица 6 – Перечень устройств
|
Обозначение |
Наименование |
Код |
Параметры |
|
G1 |
Однофазный источник питания |
218 |
~ 220 В/16 A |
|
А1 |
Регулируемый автотрансформатор |
318.1 |
~ 0 .240 В/2 А |
|
А2 |
Контактор |
364 |
~ 380 В/10 А |
|
А3 |
Выпрямитель |
322 |
400 А/2 А |
|
Р1 |
Блок мультиметров |
508.2 |
3 мультиметра ~ 0 .1000 В/ ~ 0 .10 А/ 0 .20 МОм |
Рисунок 9 – Монтажная схема
Рисунок 10 – Монтажная схема
Указания по проведению эксперимента
а) поворачиваем регулировочную рукоятку автотрансформатора А1 в крайнее против часовой стрелки положение
б) включаем автоматический выключатель и устройство защитного отключения в однофазном источнике питания G1
в) включаем выключатели <<СЕТЬ>> блока мультиметров Р1 и автотрансформатора А1
г) активируем используемый мультиметр Р1.1
д) медленно вращая регулировочную рукоятку автотрансформатора А1 по часовой стрелке, увеличиваем напряжение, прикладываемое к обмотке контактора А2
е) в момент срабатывания реле А8 зафиксируем с помощью вольтметра Р1.1 напряжение U1
ж) медленно вращая регулировочную рукоятку автотрансформатора А1 против часовой стрелки, уменьшаем напряжение, прикладываемое к обмотке контактора А2
з) в момент отключения контактора зафиксируем с помощью вольтметра Р1.1 напряжение U2
и) отключаем автоматический выключатель в однофазном источнике питания G1
к) отключаем выключатели <<СЕТЬ>> блока мультиметров Р1 и автотрансформатора А1
л) вычисляем коэффициент возврата k электромагнитного контактора напряжения по формуле
k = U2/U1 (1)
где U1 – напряжение первичной обмотки, В
U2 – напряжение вторичной обмотки, В
k = 119/124 = 0,95
3.5 Снятие вольтамперной характеристики ограничителя перенапряжений
Цель работы: Ознакомится со схемой включения ограничителя перенапряжений и снять вольтамперную характеристику.
Другие рефераты на тему «Физика и энергетика»:
Поиск рефератов
Последние рефераты раздела
- Автоматизированные поверочные установки для расходомеров и счетчиков жидкостей
- Энергосберегающая технология применения уранина в котельных
- Проливная установка заводской метрологической лаборатории
- Источники радиации
- Исследование особенностей граничного трения ротационным вискозиметром
- Исследование вольт-фарадных характеристик многослойных структур на кремниевой подложке
- Емкость резкого p-n перехода
