Машинно-тракторные агрегаты для внесения удобрений
Сегменты ножа должны быть остро заточены и располагаться в одной плоскости. При необходимости нож рихтуют. Вершины сегментов должны касаться противорежущих пластин, а между их задним концом и пластиной допускается зазор 1 мм. Чтобы уменьшить давление башмаков режущего аппарата на почву, амортизационную пружину натягивают как можно больше, но так, чтобы при работе косилки режущий аппарат не подс
какивал и не отрывался от земли.
2. Коробка передач трактора ДТ-75 МВ
2.1 Общие сведения
Коробка передач служит для изменения крутящего момента, скорости и направления движения трактора или автомобиля. С помощью коробки передач можно на продолжительное время отключать двигатель от трансмиссии.
Действие коробки передач основано на том, что вращение от коленчатого вала двигателя передается на ходовую часть через зубчатые шестерни с определенным передаточным числом. при этом изменяется частота вращения ведомых валов и передаваемых ими крутящих моментов. С уменьшением частоты вращения ведомого вала крутящий момент, передаваемый им, возрастает во столько раз, во сколько частота вращения ведомого вала меньше частоты вращения ведущего.
Число, показывающее, во сколько раз изменяется частота вращения ведомого вала по сравнению с ведущим или во сколько раз ведомая шестерня больше ведущей (по числу зубьев или диаметру), называется передаточным числом. Если в передаче участвует несколько пар шестерен, то общее передаточное число получается умножением передаточных чисел всех пар шестерен, участвующих в передаче разная скорость движения трактора и автомобиля при постоянной частоте вращения коленчатого вала двигателя достигается путем изменения передаточного отношения между валом двигателя и ведущими колесами или звездочками.
Самая простая коробка передач имеет три скорости переднего хода и одну заднего хода. Введение в зацепление самой малой шестерни, расположенной на ведущем (первичном) валу, с самой большой шестерней на ведомом (вторичном) валу позволяет получить первую (низкую) передачу. подвижные шестерни (каретки) ведущего вала передвигаются рычагом переключения передач через вилки, которые перемещаются вместе с ползунами либо по ним как по направляющим. Для фиксации включенной передачи и для того, чтобы не было самопроизвольного переключения, предусмотрены фиксаторы. Чтобы исключить одновременное передвижение двух передач, в коробке имеется направляющая пластина – кулиса.
При работе выбирают по возможности более высокую передачу, так как это обеспечивает большую экономичность работы двигателя и более высокую производительность. Чем больше передач в коробке, тем полнее используется мощность двигателя при переменной нагрузке.
Шестеренчатые коробки передач классифицируются по следующим признакам:
a) числу валов – двух-, трех-, четырехвальные;
b) расположению валов относительно продольной оси трактора - с продольным и поперечным расположением;
c) способу зацепления шестерен – с подвижными шестернями и шестернями постоянного зацепления;
d) способу переключения передач – с остановкой трактора для переключения передач и с переключением на ходу;
e) типу механизма переключения – механические, гидравлические и автоматические;
f) числу передач или ступеней – четырех-, пяти-, шестиступенчатые и т.д Число ступеней коробки передач определяется числом передач переднего хода;
g) числу подвижных шестерен (кареток) – двух-, трех- и четырехходдовые;
h) конструктивному оформлению – съемные, выполненные в виде самостоятельного агрегата и смонтированные в общем корпусе с другими механизмами.
Передачи тракторов можно условно разделить на три группы: основные, транспортные и замедленные.
Основные передачи соответствуют рабочим операциям в полевых условиях при агрегатировании трактора с сельскохозяйственными машинами. У современных тракторов этим передачам соответствуют скорости 1,4 – 4,2 м/с (5-15 км/ч.).
Транспортные передачи включают при перевозке грузов тракторными поездами и холостых переездах машинно-тракторного агрегата. У колесных тракторов таким передачам соответствуют скорости: 4,2-9,5 м/с, а у гусеничных – 4,2 м/с.
Замедленные передачи необходимы для высококачественного выполнения некоторых технологических процессов (работы с рассадопосадочными, корнеклубне-уборочными и другими машинами), которые выполняются на скоростях 0,4 -0,16 м/с.
Коробки передач автомобилей имеют меньшее число передач потому, что автомобиль имеет более узкоцелевое назначение, чем трактор.
Низшие передачи служат для трогания автомобиля с места, разгона и преодоления тяжелых участков дороги.
Высшими передачами пользуются при движении в хороших дорожных условиях.
Автомобили имеют одну передачу заднего хода, необходимую для маневрирования. Передачи заднего хода трактора кроме маневрирования используются для выполнения различных работ, например при агрегатировании трактора с волокушами. Поэтому тракторы имеют несколько передач заднего хода. Ряд тракторов имеет реверсивный ход на все передачи.
2.2 Коробка передач трактора ДТ-75 МВ
Четырехходовая, семиступенчатая коробка передач позволяет получить семь передач вперед и одну передачу заднего хода.
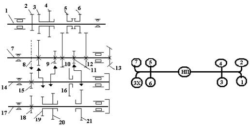
Коробка передач имеет ведущий, промежуточный, ведомый валы и вал заднего хода. Через расположенный сверху пустотелый ведущий вал 1 (см. рис. 2) проходит вал отбора мощности.
Рис. 2
На ведущем валу 1 жестко закреплена шестерня 2, находящаяся в постоянном зацеплении с шестерней 15 вала 14 заднего хода. На этом валу также установлены на шлицах две каретки, имеющие по две шестерни: шестерни 3 и 4 включения III и IV передач и шестерни 5 и 6 для включения I и II передач.
На ведомом валу 7 жестко закреплены шестерня 8 III передачи, шестерня 9 IV передачи, шестерня 10 I передачи, шестерня 11 VII передачи и шестерня 12 II передачи. На конце ведомого вала находится малая коническая шестерня 13 для привода механизмов заднего моста. При помощи регулировочных прокладок, расположенных под фланцем корпуса переднего шарикового подшипника ведомого вала, можно на небольшое расстояние перемещать в осевом направлении ведомый вал 7 вместе с конической шестерней 13. Это позволяет регулировать зазор в зацеплении между малой конической шестерней 13 и большой конической шестерней центральной передачи заднего моста.
В верхней части картера коробки (с правой стороны трактора) расположен вал 14 заднего хода на его переднем конце жестко закреплена шестерня 15, находящаяся в постоянном зацеплении с шестерней 2 ведущего вала. На заднем конце вала 14 на шлицах установлена передвижная шестерня 16 заднего хода.
Ниже вала заднего хода размещен промежуточный вал 17, на переднем конце которого закреплена шестерня 18, находящаяся в постоянном зацеплении с шестерней 15 вала заднего хода. На этом же валу на шлицах установлены две каретки: передняя с шестернями 19 и 20 для включения V и VI передач и задняя с шестерней 21 для включения VII передачи. При включении от I до IV передачи крутящий момент от ведущего вала 1 через одну из четырех пар шестерен сразу передается на ведомый вал 7. В этом случае вал 14 заднего хода и промежуточный вал 17 вращаются вхолостую. Когда включены V, VI и VII передачи, работают все валы.
Другие рефераты на тему «Транспорт»:
- Организация технического обслуживания машинно-тракторного парка Янаульской МТС
- Совершенствование организации и технологии технического обслуживания и текущего ремонта грузовых автомобилей
- Защита выпускного клапана двигателя внутреннего сгорания
- Восстановление звеньев гусениц
- Определение эксплуатационных и технологических параметров причала и нормативного времени стоянки транспортного судна под обработкой
Поиск рефератов
Последние рефераты раздела
- Проект пассажирского вагонного депо с разработкой контрольного пункта автосцепки
- Проектирование автомобильных дорог
- Проектирование автотранспортного предприятия МАЗ
- Производственно-техническая база предприятий автомобильного транспорта
- Расчет подъемного механизма самосвала
- Системы автоблокировки
- Совершенствование организации движения и снижение аварийности общественного транспорта в городе Витебск
