Определение мощности судовой электростанции
Судовые синхронные генераторы серии МСК имеют комбинированную систему самовозбуждения выполненную по принципу компаундирования. Она выполняет все требования Регистра, обладает высокой точностью стабилизации напряжения. Требуемая точность поддержания напряжения обеспечивается совместной работой схемы фазового компаундирования и корректра напряжения. С помощью корректора напряжения можно осуществ
ить ручную регулировку напряжения генератора с помощью потенциометров точной и грубой уставки.
В САРН СГ типа МСК (рисунок ниже) используют трансформатор компаундирования ТК с подмагничиванием и магнитным шунтом МШ. Обмотка подмагничивания wп указанного трансформатора получает питание от КН, который представляет собой устройство, состоящее из полупроводниковых элементов и работающее в импульсном режиме. При уменьшении напряжения СГ корректор напряжения действует так, что ток подмагничивания Iп уменьшается, полезный результирующий магнитный поток Ф увеличивается, возрастает выходное напряжение о6мотки w2, увеличивается ток Iв и напряжение СГ восстанавливается. При увеличении напряжения СГ корректор напряжения увеличит ток подмагничивания ТК, что вызовет уменьшение магнитного потока Ф, уменьшение тока Iв и восстановление напряжения генератора до заданного значения.
Структурная схема САРН СГ типа МСК с фазовым компаудированием и корректором напряжения
Двухимпульсный АРЧ обладает высокой точностью и быстродействием и состоит из датчика частоты ДЧ, датчика активного тока ДТ, магнитного усилителя А и электромагнита УА.
Датчик частоты представляет собой двухполупериодный выпрямитель-демодулятор, в диагональ которого включен выход частотного индуктивно-емкостного фильтра L1-C1-L2-C2L3. При резонансной частоте (50 Гц) выходное напряжение фильтра Uf находится в квадратуре с опорными напряжениями U1 и U2 трансформатора Т2., При отклонении частоты от резонансной выходное напряжение Uf изменяет свою начальную фазу. Выходные напряжения ДЧ равны U3 = U1 + Uf и U4=U2-Uf , поэтому выходной сигнал ДЧ пропорционален отклонению частоты от номинальной, а его полярность uпределяется направлением этого отклонения. При понижении частоты обмотки управления 9-10 и 11-12 подмагнитят ДМУ, сработает электромагнит УА и откроет золотник гидроусилителя, который сместит топливную рейку до полной компенсации отклонения частоты от номинальной. При этом подмагничивание ДМУ прекратится, УА потеряет питание и гидроусилитель прекратит работу.
Датчик активного тока практически не отличается от датчика типа УРЧН-IД. В цепь дополнительно включена отрицательная обратная связь от поворотного трансформатора TR, связанного кинематически с гидроусилителем. В установившемся режиме напряжение TR уравновешивает выходное напряжение ДТ. При набросе активной нагрузки обмотки управления 5-6 и 7-8 подмагничивают ДМУ, и гидроусилитель переместит топливную рейку в положение, соответствующее новой нагрузке, после чего поворотный трансформатор ТR своим напряжением скомпенсирует сигнал ДТ. ДМУ АРЧ имеет дополнительную обмотку смещения 13-14 и обмотку положительной обратной связи по току нагрузки 15-16.
Двухимпульсный электрический АРЧ по сравнению с электромеханическим повышает качество процесса регулирования частоты и устойчивость распределения активных нагрузок методом мнимостатических характеристик.
4.Постороение функциональной электрической схемы автоматизации судовой электростанции.
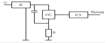
Контроль сопротивления изоляции:
Для контроля сопротивления изоляции судовой сети переменного тока при наличии и отсутствии напряжения применяется прибор ПКИ. Он имеет пять уставок сопротивления изоляции (500, 200, 100, 50 и 25 кОм) и выдает сигнал при его снижении. Прибор состоит из преобразователя В переменного тока в стабилизированное постоянное напряжение (150 В) , измерительной схемы ИС, ограничивающего резистора R, фильтрующего конденсатора С и выходного бесконтактного элемента РЭ. При снижении сопротивления изоляции ниже заданного постоянный ток, протекающий по цепи через измерительную схему и резистор, приводит к срабатыванию реле РЭ. Оно подает напряжение переменного тока 24 В на звонок и сигнальные лампы в пульт управления ПУ. Конденсатор предназначен для защиты схемы от влияния переменного тока утечки через сопротивление изоляции.
5.Определение расчетных токов в фидере компрессора кондиционирования воздуха. Выбор кабелей, коммутационной защитной и распределительной аппаратуры на основании расчета, проверка кабеля на потерю напряжения
Условия:
Потребитель – мощностью Р = 37 кВт.
Режим работы – непрерывный.
Участок 1 – L1=17 м.
Уч-к 2 – L2=42 м.
Уч-к 3 – L3=9 м.
Способ монтажа кабеля по участкам:
L1 – однорядная пучковая прокладка.
L2 – многорядная пучковая прокладка.
L3 – автономная прокладка в трубе длиной более 1,3 м
Температура в МКУ 47 С0, в остальных помещениях не превышает расчетной , места контактирования на шинах ГРЩ необработанные.
На I участке:
Поправки с учетом прокладки и режима работы:
I’расч. = Iрасч./(k1× k2)=802 А, где
k1=0,9 - коэф.,учитывающий способ прокладки (однорядная пучковая),
k2== 1 - коэф.,учитывающий режим работы (непрерывный [24ч]).
С учетом температурного режима:
I’’расч.=I’р/kq=951 А, где kθ - температурный коэф.
, температурный коэф.
На II участке:
kз=0,85 - коэф. загрузки потребителя,
Pн=37 кВт - номинальная мощность потребителя,
Uн=380 В - напряжение сети,
hн =0,9 - номинальный К.П.Д. потребителя
cos j=0,89 - номинальный коэф. мощности потребителя.
С учетом прокладки и режима работы:
I’расч. = Iрасч./(k1×k2)= 98,3А, где
k1=0,6 - коэф., учитывающий способ прокладки (многорядная пучковая),
k2=1 - коэф., учитывающий режим работы (непрерывный).
С учетом температурного режима:
I’’расч.=I’расч/kq=65,5А, где
, температурный коэф.
На III участке:
kз=0,85 - коэф. загрузки потребителя,
Pн=37 кВт - номинальная мощность потребителя,
Uн=380 В - напряжение сети,
hн =0,9 - номинальный К.П.Д. потребителя
cos j=0,89 - номинальный коэф. мощности потребителя.
Поправки с учетом прокладки и режима работы:
I’расч. = Iрасч./(k1× k2)=73,8 А, где
Другие рефераты на тему «Физика и энергетика»:
- Проектирование усилителя низкой частоты
- Анализ линейной цепи постоянного тока, трехфазных цепей переменного тока
- Внутренние силы и напряжения, возникающие в поперечных сечениях бруса при растяжении и сжатии
- Физические основы защиты информации
- Автоматизированные поверочные установки для расходомеров и счетчиков жидкостей
Поиск рефератов
Последние рефераты раздела
- Автоматизированные поверочные установки для расходомеров и счетчиков жидкостей
- Энергосберегающая технология применения уранина в котельных
- Проливная установка заводской метрологической лаборатории
- Источники радиации
- Исследование особенностей граничного трения ротационным вискозиметром
- Исследование вольт-фарадных характеристик многослойных структур на кремниевой подложке
- Емкость резкого p-n перехода
