Разработка робототехнического комплекса токарной обработки
Так как самая тяжелая заготовка имеет массу 3,3 кг, выбираем модель тактового транспортера-накопителя СТ 150.
Основные характеристики тактового транспортера-накопителя СТ 150:
габаритные размеры транспортера L*B*H: 2250*650*800 мм;
грузоподъемность одной пластины: 10 кг;
размеры пластин А*Б: 150*225 мм;
размеры пластин l*b: 150*150 мм.
- число пластин 24
Во время сме
ны детали на транспортере-накопителе пластины неподвижны и точность позиционирования определена точностью шагового перемещения пластины.
Разработаем базирующие и установочные регулируемые и нерегулируемые элементы на пластине для размещения и базирования заготовок и деталей. Базирующие и установочные элементы являются элементами установочного приспособления и крепятся на пластине. Базирующие и установочные элементы должны обеспечивать размещение на них обработанных деталей и их заготовок с возможностью предварительной регулировки и переналадки.
Чертеж транспортера накопителя представлен на листе А1.
6. Выбор промышленного робота для использования в РТК токарной обработки
Автоматизация загрузки и смены обрабатываемых деталей осуществляется с помощью промышленного робота модели «Универсал-60.01».
Основное назначение – для разгрузки-загрузки основного и вспомогательного технологического оборудования.
Технические характеристики промышленного робота:
Номинальная грузоподъемность, кг 60
Число степеней подвижности 6
Число рук/захватов на руку 1/1
Тип привода Электрогидравлический
Устройство управления Позиционное ПУР-2М
Число программируемых координат 6
Средство программирования перемещений Обучение
Погрешность позиционирования, мм ±3
Максимальный радиус обслуживания R, мм 2044
Масса, кг 2340
Линейное перемещение, мм
х (со скоростью 0,4 м/с) 1000
у (со скоростью 0,08 м/с) 400
Угловые перемещения, º:
φ (со скоростью 45º/с) 340
θ (со скоростью 10º/с) 40
α (со скоростью 90º/с) 360
β (со скоростью 70º/с) 190
Страна изготовитель СССР
7. Расчет захватного устройства и разработка конструкции его размещения на руке промышленного робота
Расчет реакции в губках
Расчет производится для самой тяжелой детали, т.е. для «Хвостовика» (766.36.70.15). Диапазон размеров деталей (заготовок) захватываемых губками: d=40…60 мм. Определяем точки приложения реакций в губках для детали.
Масса заготовки: m=3.3 кг; вес заготовки:
P=m*g,
где g - ускорение свободного падения, м/
Тогда: Р=3,3*9,8=32,3Н
Расчетная нагрузка с учетом коэффициента запаса k=3:
Q=k*P=3*32,3=96,9Н
Реакции в губках:
где l=80мм – расстояние между губками; с=40 мм – расстояние до центра масс детали.
Подставляем значения, получаем:
Определение сил воздействия губок на деталь.
Составляем схемы сил рис. 4.1, действующих на деталь, и определяем силы зажима:
где
- реакция на губках захватного устройства,
- коэффициент трения.
Подставляем значения, получаем:
На первой паре губок:
На второй паре губок:
рис. 4.1 Действие сил
Определение конструктивных параметров привода и захватного устройства в целом
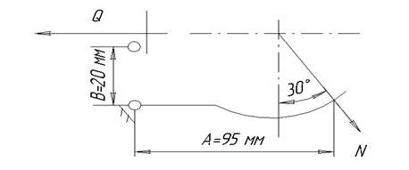
Рассчитаем усилие, которое должен развивать силовой привод для надежного закрепления детали, согласно схемы изображенной на рис. 4.2
рис. 4.2 Кинематическая схема зажимного устройства
Вычислим требуемое усилие по формуле:
где n – число пар губок в захватном устройстве n=2;
N – наибольшая нормальная сила необходимая для удержания заготовки N=
А и В – плечи захватного механизма А=95 мм, В=20 мм.
В качестве привода принимаем пневмоцилиндр одностороннего действия с рабочим давлением р=0,4 МПа.
Диаметр поршня цилиндра:
где
- давление сжатого воздуха, МПа.
Тогда:
Принимаем стандартное значение (с запасом): D=35 мм.
Компонуем захватное устройство и пневмоцилиндр, конструктивно определяем ход поршня и другие параметры.
Диаметр штока принимаем конструктивно D=15 мм.
Чертеж захватного устройства представлен на листе А1.
8. Компонование средств автоматизации загрузки и транспортной системы совместно с используемым токарным оборудованием
На основании предыдущих расчетов подготавливаем общий вид РТК. Для этого определяем взаимно-координатное расположение средств автоматизации загрузки в робототехническом комплексе.
Разрабатываются схемы компоновки в 2-х видах (сверху и сбоку), где показывается траектория движения захватного устройства относительно исходного положения. В исходном положении показываются опорные точки станка, промышленного робота, транспортера-накопителя и захватного устройства. Так как применяется один и тот же РТК, то разрабатываем одну схему, например для детали «хвостовик» (766.36.70.15).
На схеме принимаем следующие обозначения:
Ост – ноль станка;
Опр – ноль промышленного робота;
Озу – ноль захватного устройства.
Отр – ноль транспортера-накопителя;
Чертеж схемы движения захватного устройства представлена на листе А2.
9. Разработка циклограммы работы оборудования, входящего в РТК
Разрабатываем циклограмму последовательности выполнения перемещений захватным устройством в процессе загрузки, разгрузки и транспортирования деталей в аналитическом виде.
Для этого задаем начальное положение механизмов:
деталь обработана, но не снята.
Для описания формулы циклограммы принимаем следующие обозначения интервалов затрат времени на выполнение движения узлами РТК:
- поворот руки промышленного робота ПР с захватным устройством ЗУ на угол
вниз
- выдвижение руки с ЗУ вперед;
- захват детали ЗУ;
Другие рефераты на тему «Производство и технологии»:
- Анализ композиционных элементов конструкции одежды. Разработка модельных конструкций женской и мужской одежды по заданному эскизу
- Моделирование и оптимизация процесса ковки в вырезных бойках крупных поковок из слитков с целью проработки внутренней структуры металла
- Механика вертолета
- Обезжелезивание оборотных и шахтных вод
- Анализ САР регулирования частоты вращения приводного электродвигателя стенда для обкатки ДВС
Поиск рефератов
Последние рефераты раздела
- Технологическая революция в современном мире и социальные последствия
- Поверочная установка. Проблемы при разработке и эксплуатации
- Пружинные стали
- Процесс создания IDEFO-модели
- Получение биметаллических заготовок центробежным способом
- Получение и исследование биоактивных композиций на основе полиэтилена высокой плотности и крахмала
- Получение титана из руды
